HOS Training Center - Sulzer RT-Flex Basic Training
Year: 2005 Language: english Author: Wartsila Land and Sea Academy, Winterthur, Switzerland Genre: Training courses Format: PDF Quality: OCR without errors Pages count: 478 Description: Sulzer RT-Flex System Basic Training List of Contents: 00. General Information 01. Short Introduction 02. Mechanical Features 03. Hydraulic & Pneumatic Systems 04. Control System WECS 9520 05. Engine Control System 06. Flexview 9520 for Operators 07. Cylinder Lubrication System 08. Service Aspects
Please do not use [CAP LOCK] You will be added to the VIP group with unlimited download of any files (including those with reputation or ratio limits), and access to private section.
You cannot post new topics in this forum You cannot reply to topics in this forum You cannot edit your posts in this forum You cannot delete your posts in this forum You cannot vote in polls in this forum You cannot attach files in this forum You cannot download files in this forum
HOS Training Center - Sulzer RT-Flex Basic Training
Language: english
Author: Wartsila Land and Sea Academy, Winterthur, Switzerland
Genre: Training courses
Format: PDF
Quality: OCR without errors
Pages count: 478
Description: Sulzer RT-Flex System Basic Training
List of Contents:
00. General Information
01. Short Introduction
02. Mechanical Features
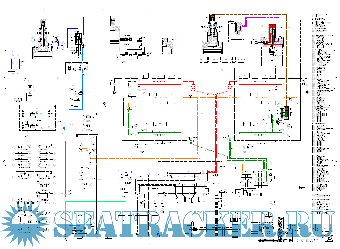
03. Hydraulic & Pneumatic Systems
04. Control System WECS 9520
05. Engine Control System
06. Flexview 9520 for Operators
07. Cylinder Lubrication System
08. Service Aspects
Contents
Screenshots
Hidden
Download [12 KB]
Share
Share
Share
Share
Share
Warning from: gillnumil [translate]
Non-compliance: 3.15
Please do not use [CAP LOCK]
You will be added to the VIP group with unlimited download of any files (including those with reputation or ratio limits), and access to private section.
Share