chayan_09 ®   18-Dec-2023 12:43

ISO-13795-2020_E


Year: 2020
Language: english
Author: ISO
Genre: Methodological guide
Format: PDF
Quality: eBook
Pages count: 10
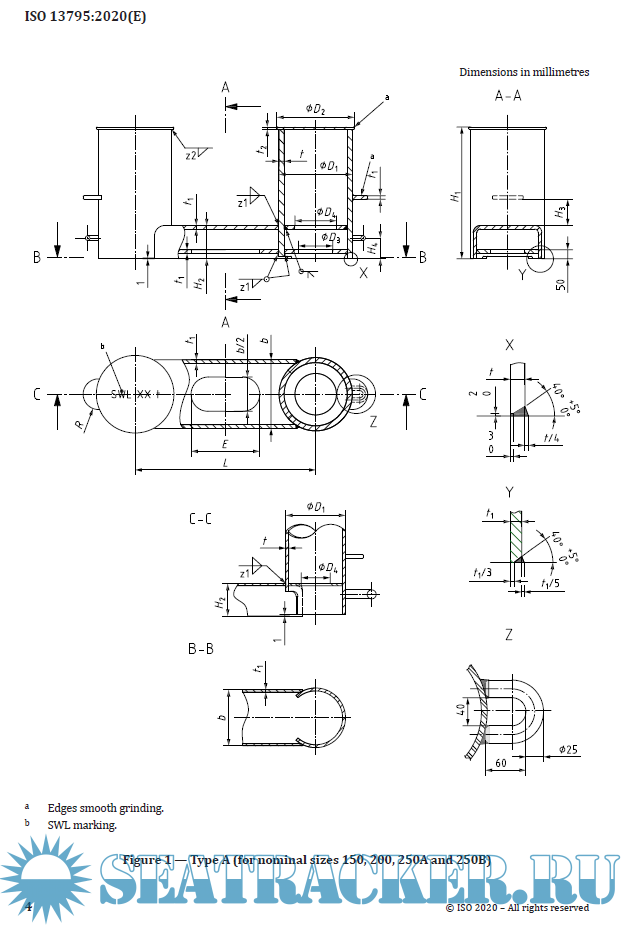
Description: ISO 13795 is for calculating bollard construction parameters according to the mooring or towing load its going to face during operation.

Contents

Screenshots

ISO-13795-2020_E.pdf

Download [1 KB]

Thank U
Reply
refresh list

Similar releases

F(P)SO Heading Control Guidelines - OCIMF [2020, PDF]
MSC Circ.1175 Guidance on Shipboard Towing and Mooring Equipment - IMO Circular [2005, PDF]
The OCIMF Human Factors Approach - OCIMF [2020, PDF]
Marine Operations Guide Vol I - The Naval Arch [20xx, PDF]
Adverse Weather Condition functionality and minimum propulsion power - MAN Energy Solutions [2020,…
Ballast Water Treatment Systems Performance Analysis and Review - Ermafirst [2020, PDF]
Environmental conditions and environmental loads DNVGL­-RP-C205 - DNV GL AS [2019, PDF]
Requirements concerning Mooring, Anchoring and Towing - IACS [2020, PDF]
Advisory on exhaust gas scrubber for Singapore registered ships - Maritime Port Authority (…
Requirements concerning Mooring, Anchoring and Towing - IACS [2017, PDF]
LOAD MORE
  • Reply

The time now is: Today 04:47

All times are GMT + 3 Hours