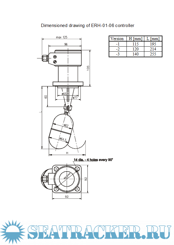
Year: 2008 Language: english Author: CONTROLMATICA Ltd. Co. Format: DOC Quality: eBook Pages count: 17+21 Description: Operation and Maintenance Manual of Electric Two-Term Level Controllers. Types: ERH-01-06, ERH-02-06, ERH-03-06, ERH-04-06 Operation and Maintenance Manual of Electric Two-Term Level Controllers in Complete Submersion Version. Types: ERH-01-07, ERH-02-07, ERH-03-07, ERH-04-07
Contents
1. Application 2. Principle of Operation 3. Design of Controller 4. Technical Data 5. Permissible Operation Conditions 6. Application Examples 7. Instructions on Assembly 8. Instruction on Exploitation 9. Instruction on Maintenance and Storage 10. Packing and Transport 11. Marking 12. Scope of Delivery 13. List of Spare parts 14. Ordering
You cannot post new topics in this forum You cannot reply to topics in this forum You cannot edit your posts in this forum You cannot delete your posts in this forum You cannot vote in polls in this forum You cannot attach files in this forum You cannot download files in this forum
CONTROLMATICA Electric Two-Term Level Controllers
Language: english
Author: CONTROLMATICA Ltd. Co.
Format: DOC
Quality: eBook
Pages count: 17+21
Description: Operation and Maintenance Manual of Electric Two-Term Level Controllers.
Types: ERH-01-06, ERH-02-06, ERH-03-06, ERH-04-06
Operation and Maintenance Manual of Electric Two-Term Level Controllers
in Complete Submersion Version.
Types: ERH-01-07, ERH-02-07, ERH-03-07, ERH-04-07
Contents
1. Application2. Principle of Operation
3. Design of Controller
4. Technical Data
5. Permissible Operation Conditions
6. Application Examples
7. Instructions on Assembly
8. Instruction on Exploitation
9. Instruction on Maintenance and Storage
10. Packing and Transport
11. Marking
12. Scope of Delivery
13. List of Spare parts
14. Ordering
Screenshots
Controlmatica ZAP PNEFAL
Download [3 KB]
Share
Share