A13x ®   11-Jul-2020 14:03

ALUP SCK 5-52 screw compressor Operating manual


Year: 2006
Language: english
Author: ALUP Kompressoren GmbH
Genre: Operating manual
Format: PDF
Quality: eBook
Number of pages: 68
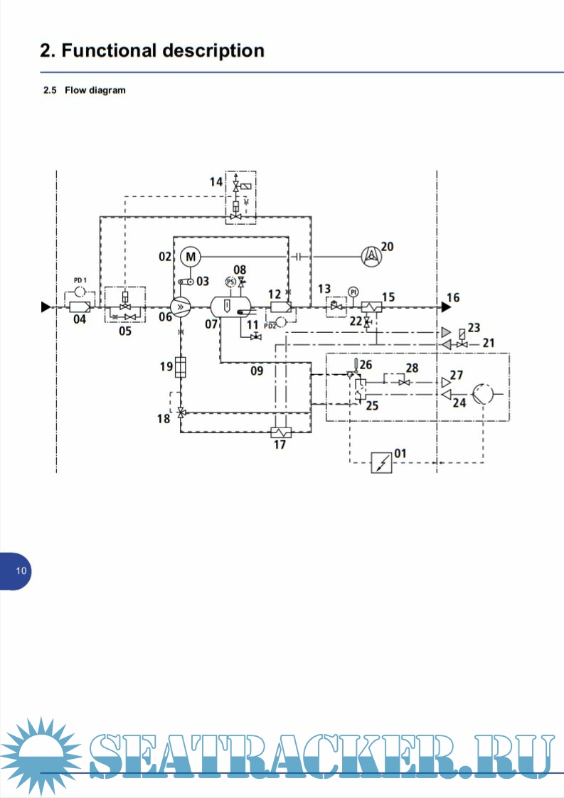
Description: You are reading this manual in order to learn about the screw compressor. It contains information that is required for safe, malfunction-free operation of the system.

Contents

Screenshots

Alup SCK 5-52.pdf

Download [6 KB]

Thank U
Reply
refresh list

Similar releases

Sauer Air Compressor - WP400 Operations Manual - J.P. Sauer & Sohn Maschinenbau GmbH [2014, PDF]
Tamrotor Marine Compressors User Manual - Tamrotor Marine Compressors AS [2011, PDF]
Bitzer Screw Compressors - Bitzer Kühlmaschinenbau GmbH [2005, PDF]
Bauer Compressor Poseidon Edition PE - 200/250/300 Operating Manual Breathing Air Compressor -…
Bauer Compressor Poseidon Edition VE - 300-850 Breathing Air Compressor Operating Manual & Spare…
Manual foresail reefing and furling system - Zattini Group srl [PDF]
Compressor Handbook - Principles and Practice - Giampaolo A. [2010, PDF]
JRC Echo Sounder EchoNav, EchoFish (JFC-800 - 810, JFE-380, 400, 680, 700) Instruct Manual - JRC…
Ballast Water Treatment System Ocean Guard +Troubleshooting - Manual [2017, PDF]
Bauer Compressor Poseidon Edition HE - 250/300 Instruction Manual Breathing Air Compressor - BAUER…
LOAD MORE
  • Reply

The time now is: Today 21:48

All times are GMT + 3 Hours