gillnumil ®   22-Jun-2022 09:43

Chief Mates Orals Notes - Function 1,2 &3


Year: 2016
Language: english
Author: Rahul Kumar
Format: PDF
Quality: eBook
Pages count: 324
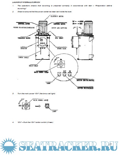
Description: Chief Mates Orals Notes - Function 1,2 &3.

Contents

Chief Mates Orals Notes - Function 1,2 &3

Screenshots

15380261251st Mate - Orals - Preparatory Notes By Rahul Kumar.pdf

Download [10 KB]

Thank U
Reply
refresh list

Similar releases

Mates Orals Notes - Function III: Ship Operation and Care of Personnel - Rahul Kumar [2018, PDF]
Mates Orals Notes - Function I - Manish Kumar [201x, PDF]
Oral Notes (Function: 1,2&3) for Chief Mate F.G. Mercantile Marine Department (MMD), India…
Chief Mates F.G. Orals - Notes for Function III - Melroy Fernandes [2022, PDF]
Chief Mates F.G. Orals - Notes for Function II - Melroy Fernandes [2022, PDF]
Chief Mates F.G. Orals - Revision Notes for Function 2 - R. Karthick [2022, PDF]
Chief Mates F.G. Orals - Revision Notes for Function 1 - R. Karthick [2022, PDF]
Chief Mates Orals Notes - Function 1, 2 & 3 - Alfin Francis [201x, PDF]
Chief Mates Orals Notes - Function 1, 2 & 3 - Sachin Chaudhari[20xx, JPEG]
Chief Mates F.G. Orals Notes - Function III - Ship Operation and Care of Personnel - Vaibhav Garg…
LOAD MORE
  • Reply

The time now is: Today 19:00

All times are GMT + 3 Hours