British Pioneer - IMO 9180140 - Machinery Operating Manual
Year: 1999 Language: english Author: unknown Genre: Manual Format: PDF Quality: eBook Pages count: 349 Description: The purpose of this manual is to fill some of the gaps and to provide the ship’s officers with additional information not otherwise available on board. It is intended to be used in conjunction with the other plans and instruction books already on board and in no way replaces or supersedes them. The vessel is constructed to comply with Marpol 73/78. These regulations can be found in the Consolidated Edition, 1991 and in the Amendments dated 1992, 1994 and 1995. Officers should familiarise themselves with the contents of the International Convention for the Prevention of Pollution from Ships, so that they are aware of the category of the cargo being carried and the requirements for cleaning of cargo tanks and the disposal of tank washings / ballast containing residues
You cannot post new topics in this forum You cannot reply to topics in this forum You cannot edit your posts in this forum You cannot delete your posts in this forum You cannot vote in polls in this forum You cannot attach files in this forum You cannot download files in this forum
British Pioneer - IMO 9180140 - Machinery Operating Manual
Language: english
Author: unknown
Genre: Manual
Format: PDF
Quality: eBook
Pages count: 349
Description: The purpose of this manual is to fill some of the gaps and to provide the ship’s officers with additional
information not otherwise available on board. It is intended to be used in conjunction with the other plans and
instruction books already on board and in no way replaces or supersedes them.
The vessel is constructed to comply with Marpol 73/78. These regulations can be found in the Consolidated
Edition, 1991 and in the Amendments dated 1992, 1994 and 1995.
Officers should familiarise themselves with the contents of the International Convention for the Prevention of
Pollution from Ships, so that they are aware of the category of the cargo being carried and the requirements for
cleaning of cargo tanks and the disposal of tank washings / ballast containing residues
Contents
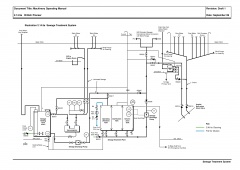
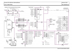
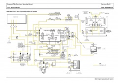
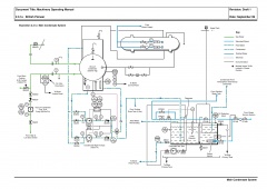
Screenshots
Hidden
FILE WAS DELETED BY COPYRIGHT HOLDERS
You can buy it on https://www.imo.org
Share
zxc
Share