Year: 2024 Language: English Author: Arjay Magpantay Genre: Guide Publisher: World-Class Maritime Services Edition: 1 ISBN: 978-971-01186-56 Format: PDF Quality: eBook Pages count: 102 Description: The "Ship Electro-Pneumatic and Hydraulic" is a comprehensive guide designed to provide an in-depth understanding of electro-pneumatic system, covering everything from basic principles to detailed maintenance procedures. Whether you are a seasoned seafarer or newcomer keen on exploring the technical aspects of shipboard system, this manual aims to equip you with the knowledge and skills necessary to master electro-pneumatic technology. Electro-pneumatic system, which combines the strengths of electrical and pneumatic components, plays an important function in the automation and control of various shipboard operations. These systems are known for their precision, reliability, and ability to handle complex tasks with ease, making them indispensable in today's maritime world. This manual also includes bonus chapter about ship electro-hydraulic system.
Contents
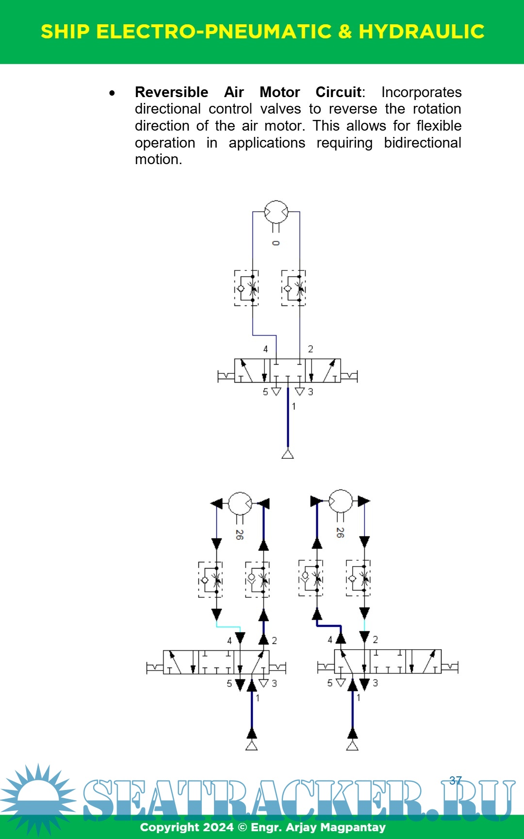
Screenshots
5
SHIP ELECTRO-PNEUMATIC & HYDRAULIC by Engr. Arjay Magpantay.pdf
You cannot post new topics in this forum You cannot reply to topics in this forum You cannot edit your posts in this forum You cannot delete your posts in this forum You cannot vote in polls in this forum You cannot attach files in this forum You cannot download files in this forum
Ship Electro-Pneumatic & Hydraulic (Electrical Circuit of Shipboard Pneumatic & Hydraulic)
Language: English
Author: Arjay Magpantay
Genre: Guide
Publisher: World-Class Maritime Services
Edition: 1
ISBN: 978-971-01186-56
Format: PDF
Quality: eBook
Pages count: 102
Description: The "Ship Electro-Pneumatic and Hydraulic" is a comprehensive guide designed to provide an in-depth understanding of electro-pneumatic system, covering everything from basic principles to detailed maintenance procedures. Whether you are a seasoned seafarer or newcomer keen on exploring the technical aspects of shipboard system, this manual aims to equip you with the knowledge and skills necessary to master electro-pneumatic technology. Electro-pneumatic system, which combines the strengths of electrical and pneumatic components, plays an important function in the automation and control of various shipboard operations. These systems are known for their precision, reliability, and ability to handle complex tasks with ease, making them indispensable in today's maritime world. This manual also includes bonus chapter about ship electro-hydraulic system.
Contents
Screenshots
SHIP ELECTRO-PNEUMATIC & HYDRAULIC by Engr. Arjay Magpantay.pdf
Download [2 KB]
Share