Mitsubishi Hydraulic Deck Crane 25-30 t Saikie Heavy Industries / Finished plan
Year: 2002 Language: english Author: Mitsubishi Heavy Industries Genre: Finished plan Publisher: Mitsubishi Heavy Industries Format: PDF Quality: Scanned pages Number of pages: 465 Description: CONTENTS 1. GENERAL 1-1 Manufacturing specification 1-2 The arrangement of 30t X 24m (R) hydraulic deck crane 1-3 Pipe diagram 1-4 Working zone 2. SPARES &T00LS LIST 2-1 Spares & tools list for mechanical & hydraulic equipment 2~2 Spares & tools list for electrical equipment 3. INSTRUCTION MANUAL 3~1 Operating procedure of Mitsubishi hydraulic deck crane 3~2 Mitsubishi hydraulic deck crane instruction 3-3 Vane type pump instruction, operation and overhaul instruction 3-4 Instruction manual for Mitsubishi RM motor 3~5 Instruction manual for Downax Hydraulic motor (MB350AS200) 3-6 Induction motors instruction 3-7 Maintenance manual of Mitsubishi RM motor 3-8 Mitsubishi hydraulic deck crane inspection and maintenance 3-9 Hydraulic deck crane procedure of replacing wire rope and re-adjusting the limit switch
REFERENCE DRAWINGS
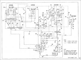
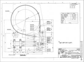
REFERENCE DRAWINGS '1 Mechanical equipment (1) Arrangement of in post (No. 1 crane) DSC7107612 (2) Arrangement of in post (No. 2~4crane) DSC7107622 (3) Arrangement of cab. DSC1104932 (4) Arrangement of hoisting & luffing winch DSC2103110 (5) Luffing device (sectional dwg & parts list) DSC2102630 (6) Slewing device (a) MRP1703D-375-99A Outline dwg. (G3999342) DSC2102500 (b) MRP1703D-375-99A Sectional dwg. (G3009902, G4004723) (7) Assembly of brake gear for hoisting winch DSC2102653 (8) Assembly of controller for hoisting DSB4100990 (9) Assembly of controller for slewing & luffing DSB4101000 (10) Assembly of remote control gear DSC4100600 (11) Assembly of neutral holder (For hoisting & luffing) DSC4100520 (12) Assembly of neutral holder (For slewing) DSB4100482 (13) Arrangement of limit switch DSC5101300 (14) Differential limit switch box DSC5100731 (15) Hex.bolt and washer for turn table bearing DSC1550—0 (16) Assent)Iy of pinch roller of hoisting wire DSC5101040 (17) Assembly of loosen detector of hoisting wire DSC5101051 (18) Assembly of loosen detector of luffing wire DSC5100780 (19) Turn table bearing (62MN-2850. 89/531) DSC2102470 (20) Falling block (Hook) DSA6399010 (21) Assembly of post top sheave DSC1104620 (22) Assembly of tip sheave for jib (23) Assembly of center sheave for jib (24) Assembly of gooseneck for jib (25) Assembly of jib (26) Arrangement of fittings DRAWING. NO DSC1104442 DSB1106100 DSC1104380 DSC0116690 DSC7107600 Hydraulic equipment (1) Assembly of pump unit DSC3102340 (2) Assembly of oiI tank (70L) DSC3102301 (3) Hydraulic pump DSC2102580 (a) T6EE+T6C (23-6262-4) (b) T6EE Vane pump <Parts list and sectional drawing> (SD-50360E) (c) T6C Vane pump <Parts list and sectional drawing> (SD-50361E) (d) R5V12 Relief valve (23-6360E) (e) R5S08 Sequence valve (23—6359E) (4) Hydraulic motor (a) RMC-350A-L(A) arrangement (for hoisting) (b) MB350AS200BS091 Outline dwg. (for slewing device) (c) MB350AS200BS091 Assembly dwg. (d) MB350AS200BS091+CW300BAS219 Outline dwg. (for luffing device) (e) MB350AS200BS091 Assembly dwg. (5) Oil cooler (39000 Kcal/Hr) (1223-042-533) DSC2102721 (6) Assembly drawing of hydraulic cylinder (for hoisting) DSC2102130 ME3500-122-0 8 DSC2102510 DSC2102521 DRAWING. NO (7) Control valve (50A) (for hoisting) (8) Control valve (32A) (for luffing) (9) Control valve (for slewing) (a) MSCV-32 Assembly (b) Pressure control & check valve (CQ-G10-4B-5449A) (c) VRH-0401 Relief valve (21610-30001U) (10 (11 (12 (13 (14 (15 (16 (17 (18 (19 (20 (21 (22 (23 (24 (25 Line filter (LMs20F-10P-BVN-3A) Counter balance valve (CBV-3R-50) Counter balance valve (for 2 speed) (CBV-3R-53) Auto change valve (ACV-3-51) Pressure control valve (Balance piston type)QB-G10-42-21 Right angled check valve CA-G10-1-20 Inline check valve HTIC—12—50—10 Assembly of valve block Relief valve RD1-02G-HD-330 Thermo controller (TNS-C1070CWL2Q, TNS-C1100WL2Q) (FS-M1) Float switch Solenoid valve Solenoid valve Re Iief valve Butterfly valve Unloading control valve 4WE10D4X/CW100N9DL 4WE10D4X/CW100N9DL R-G10-3-20 700S-10 (50A.65A) RD4-02T-D DSC3102213 DSC3102221 DSC3102231 DSC2102320 DSC2102230 DSC2102820 DSC3418—0 DSC3417—0 DSC3102252 DSC2102240 DSC2102250 DSA3105130 DSC3102360 DSC2102300 DSC3413—0 DSA7109980 DSC2103090 DSC2103100 DSC2102210 D3L0102260 DSC2102280 lectric equipment DRAWING.NO ED68003280 (1) Wiring diagram ED60305850 (2) Main pump motor ED60922282 (3) Fan cooler motor ED60922290 (4) Outline of starter panel ED60910210 (5) Parts list (starter panel) ED61108450 (6) Outline of control stand ED60910220 (7) Parts list (control stand) ED61108460 (8) Out Iine of siipling ED61005760 (9) Circuit diagram for lighting & heating ED60415960 (10) Ci rcuit diagram (A) ED60415970 (11) Circuit diagram (B) ED60415980 (12) Fluorescent ceiling light SS-40784A (13) Mercury projector ED61002800 (14) Ballast for mercury lamp [SWH4-RC1B(A)] ED61002820 (15) Out 1ine of heater ED61003510 5. RECORD OF INSPECTION 6. RECOMMENDED OIL TABIE 7. AFTER SERVICE NET
CONTENTS
1. Principal particulars and working condition--------------------------------------------P 1 2. Construction and main materials-------------------------------------------------------P 2 3. Safety device------------------------------------------------------------------------------P 10 4. Crane equipments---------------------------------------------------------------------------P 12 5. Spare parts and tools----------------------------------------------------------------------P 13 6 Pajn---------------------------------------------------------------------------------------p 15 7. Shop test----------------------------------------------------------------------------------P 16 8. Estimating scope and beyond estimating scope—----------------------------------------------P 16 9. Drawings and documents to be forwarded-----------------------------------------------------P 18 10. General------------------------------------------------------------------------------------P 19 11. Reservation of design change---------------------------------------------------------P 19 12. Warranty------------------------------------------------------------------------:---------P 19
More
2. Construction and main materials The deck crane is to be designed with the construction and main materials in accordance with the Classification Rule and JIS standards, and to be manufactured in accordance with the approved general assembly drawing. 2-1 Construction (1) Hoisting and luffing winches These winch are accommodated in the crane housing with the state of the luffing winch installed over the hoisting winch. Hoisting winch drum can be driven by the hydraulic motors through one (1) stage reduction gear. Luffing winch drum can be driven by the hydraulic motor through planetary reduction gear. The reduction gear is in the enclosed casing and lubricated by oi I bathing. Each winch has spherical roller bearing to improve efficiency. In addition, as the winch drum is grooved, the wire rope can be wound regularly on the drum. The hoisting winch braking system has two (2) systems, one is hydraulic blocking system (counter balance valve) and the other is hydraulic band braking system. The band brake is fitted to drum flange, and can be applied by the spring force and released by hydraulic pressure. The material of the brake lining is of asbestos-free. Hoisting winch is provided with a pinch roller. The luffing winch braking system has two (2) systems, one is hydraulic blocking system (counter balance valve) and the other is hydraulic disc braking system. (2) Slewing device This crane is installed on the turn table bearing which is subject to the overturning moment and thrusting load at the same time. The inner race of the turn table bearing is provided with the internal gears and is fixed to the hull post by bolting. Also the outer race is fixed to the crane base by bolting. The slewing device consists of the hydraulic motor, planetary reduction gear, pinion, hydraulic disc brake and the pinion is engaged with the internal gear of the turn table bearing. The reduction gear is in the enclosed casing and lubricated by oil bathing. The braking system has two (2) systems, one is hydraulic blocking system (counter balance valve) and the other is hydraulic disc braking system. The hydraulic disc brake stops the slewing device when the power system is out of operation. (3) Crane body The body is of a box type of welded steel and the base is fixed to the turn table bearing by bolting. (4) Jib The jib is manufactured of welded steel and has sufficient strength and rigidity for external force. (5) Steel wire rope The steel wire rope for hoisting is a non-self-rotating rope and that for luffing is of JIS No. 18. These ropes are galvanized. ■Hoisting rope (non-rotating rope) U4 x SeS (39) (SHINKO WIRE CO., LTD.) Galvanized, Z-lay Sheathing Dead Eye Thimble-36 Luffing rope (JIS No.18) 6 x Fi (29) .class C , IWRC .Galvanized , Z-lay (6) Operator’s cabin The cabin is completed with heat and sound insulation on the wall. Two operating handles are arranged in the cabin and each handle in connected to each hydraulic control valves in machine room. Hoisting handle is easily operated by a right hand, luffing and slewing handle is done by a left hand. Luffing and slewing handle is adopted the universal controller to operate both action of luffing and slewing. To raise the efficiency of cargo handling, the three motion at the same time can be carried out with light load. The noise level in the operator’s cabin is less than 85dB(A). The hydraulic system for hoisting, luffing and slewing is composed of fixed displacement hydraulic oil pumps, fixed displacement oil motors, control valves, counter balance valves and other accessories. Of course, the pressure relief valve is fitted in each circuit to prevent the line from over pressure. The pressure oil delivered from each oil pump driven by an electric motor is regulated by the control valve and is supplied to each oil motor. So, the speed of each motion can be controlled gradually by controlling the control valve. The hydraulic system has two (2) circuits, one is for hoisting and the other is for slewing and luffing which line is connected in series. The return lines of each circuit are connected together. The oil flows together in return line and flows through air cooled oil cooler which is automatically controlled by a thermo switch and in a 10 micron-oil filter and then, oil gets back to each suction chamber of oi I pumps. Furthermore, a head pipe with head tank connected to the return line gives a little positive pressure and supplies oil in the circuit for developing the sucking performance of oi I pumps. 2-2 Electric equipment (1) General The main power electric source is connected to the no-fuse-breaker (N. F. B) in the starter panel located in the machine room through cable from slipring of the collector. The aux. electric source for lighting and heating apparatus is led to the control stand in the cab through cable from the slipring of the col lector. The necessary devices except main switch for operating the deck crane are functionally arranged in the cab. The switches of space heater for main motor, control stand and starter panel is fitted on the control stand. (2) Electric source The following voltage are to be used for the deck crane. AC440V, 60Hz, 30......For main circuit of the electric motor AC440V, 60Hz, 10......For main contact coil of the electric motor for the hydraulic pump & oil cooler AC110V, 60Hz, 10......For control circuit of the solenoid valve DC24V....................For other control circuit AC220V, 60Hz, 10......For lighting and heating circuit Ship supply source.......AC440V, 60Hz, 30, 225A AC220V, 60Hz, 10. 30A The supply line provided from the ship is connected to the brush of the collector beneath the floor center of the machine room. (3) Main motor for hydraulic oil pump The electric motor for the hydraulic pump is to be started by the method (three contactor method) and the starting current is to be decreased in one-third of directly starting. (a) Three phase induction motor for marine use (b) Totally enclosed with outside fan squirrel cage rotor equipped with ball bearings (c) Insulation class F (d) With space heater & thermal switch (e) I EC numbers of protection IP55 (4) Motor for oil cooler The electric motor for oil cooling fan can be automatically operated by the oil temperature while the electric motor for the hydraulic pump is operated. The electro-magnetic switch is actuated by the thermostat for detecting oil temperature which is inserted in the hydraulic piping and causes the motor to operate. (a) Three phase induction motor for marine use (b) Totally enclosed with outside fan squirrel cage rotor equipped with shield balI bearings (c) Insulation class F (d) Direct start (e) IEC numbers of protection IP55 (5) Starter panel Use for starting circuit of main motor for hydraulic oil pump & motor for oil cooler and other. Including control transformer & diode stack for control circuit, etc. Constructed by steel plate and drip-proof type (IP22). Installed in machine room of deck crane. (6) Control stand for single crane Control circuit including control switch, indicating lamp and control relays is built in this control stand. Constructed by steel plate and drip-proof type (IP22). Installed in cabin of deck crane. (7) Electric cable All cables installed throughout the deck crane shall be of Japanese Industrial Standard (JIS) and of 0. 6/1kV or 250V grade insulation to meet the voltage to which they are subjected. The conductors supplying single load, in general, shall have continuous current carrying capacity equal to 100% of the rating of the connected load. (8) Slipring Installed in the fixed post of ship’s deck.
You cannot post new topics in this forum You cannot reply to topics in this forum You cannot edit your posts in this forum You cannot delete your posts in this forum You cannot vote in polls in this forum You cannot attach files in this forum You cannot download files in this forum
Mitsubishi Hydraulic Deck Crane 25-30 t Saikie Heavy Industries / Finished plan
Language: english
Author: Mitsubishi Heavy Industries
Genre: Finished plan
Publisher: Mitsubishi Heavy Industries
Format: PDF
Quality: Scanned pages
Number of pages: 465
Description: CONTENTS
1. GENERAL
1-1 Manufacturing specification
1-2 The arrangement of 30t X 24m (R) hydraulic deck crane 1-3 Pipe diagram
1-4 Working zone
2. SPARES &T00LS LIST
2-1 Spares & tools list for mechanical & hydraulic equipment 2~2 Spares & tools list for electrical equipment
3. INSTRUCTION MANUAL
3~1 Operating procedure of Mitsubishi hydraulic deck crane 3~2 Mitsubishi hydraulic deck crane instruction
3-3 Vane type pump instruction, operation and overhaul instruction
3-4 Instruction manual for Mitsubishi RM motor
3~5 Instruction manual for Downax Hydraulic motor (MB350AS200)
3-6 Induction motors instruction 3-7 Maintenance manual of Mitsubishi RM motor 3-8 Mitsubishi hydraulic deck crane inspection and maintenance
3-9 Hydraulic deck crane procedure of replacing wire rope and re-adjusting the limit switch
REFERENCE DRAWINGS
REFERENCE DRAWINGS '1 Mechanical equipment(1) Arrangement of in post (No. 1 crane) DSC7107612
(2) Arrangement of in post (No. 2~4crane) DSC7107622
(3) Arrangement of cab. DSC1104932
(4) Arrangement of hoisting & luffing winch DSC2103110
(5) Luffing device (sectional dwg & parts list) DSC2102630
(6) Slewing device
(a) MRP1703D-375-99A Outline dwg. (G3999342) DSC2102500
(b) MRP1703D-375-99A Sectional dwg. (G3009902, G4004723)
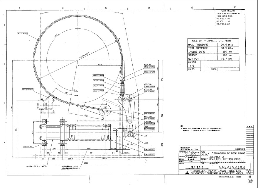
(7) Assembly of brake gear for hoisting winch DSC2102653
(8) Assembly of controller for hoisting DSB4100990
(9) Assembly of controller for slewing & luffing DSB4101000
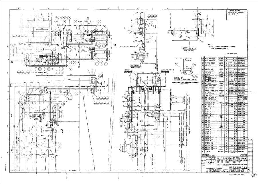
(10) Assembly of remote control gear DSC4100600
(11) Assembly of neutral holder (For hoisting & luffing) DSC4100520
(12) Assembly of neutral holder (For slewing) DSB4100482
(13) Arrangement of limit switch DSC5101300
(14) Differential limit switch box DSC5100731
(15) Hex.bolt and washer for turn table bearing DSC1550—0
(16) Assent)Iy of pinch roller of hoisting wire DSC5101040
(17) Assembly of loosen detector of hoisting wire DSC5101051
(18) Assembly of loosen detector of luffing wire DSC5100780
(19) Turn table bearing (62MN-2850. 89/531) DSC2102470
(20) Falling block (Hook) DSA6399010
(21) Assembly of post top sheave DSC1104620
(22) Assembly of tip sheave for jib
(23) Assembly of center sheave for jib
(24) Assembly of gooseneck for jib
(25) Assembly of jib
(26) Arrangement of fittings
DRAWING. NO DSC1104442 DSB1106100 DSC1104380 DSC0116690 DSC7107600
Hydraulic equipment
(1) Assembly of pump unit DSC3102340
(2) Assembly of oiI tank (70L) DSC3102301
(3) Hydraulic pump DSC2102580
(a) T6EE+T6C (23-6262-4)
(b) T6EE Vane pump <Parts list and sectional drawing> (SD-50360E)
(c) T6C Vane pump <Parts list and sectional drawing> (SD-50361E)
(d) R5V12 Relief valve (23-6360E)
(e) R5S08 Sequence valve (23—6359E)
(4) Hydraulic motor
(a) RMC-350A-L(A) arrangement (for hoisting)
(b) MB350AS200BS091 Outline dwg. (for slewing device)
(c) MB350AS200BS091 Assembly dwg.
(d) MB350AS200BS091+CW300BAS219 Outline dwg.
(for luffing device)
(e) MB350AS200BS091 Assembly dwg.
(5) Oil cooler (39000 Kcal/Hr) (1223-042-533) DSC2102721
(6) Assembly drawing of hydraulic cylinder (for hoisting) DSC2102130
ME3500-122-0 8 DSC2102510
DSC2102521
DRAWING. NO
(7) Control valve (50A) (for hoisting)
(8) Control valve (32A) (for luffing)
(9) Control valve (for slewing)
(a) MSCV-32 Assembly
(b) Pressure control & check valve (CQ-G10-4B-5449A)
(c) VRH-0401 Relief valve (21610-30001U)
(10
(11
(12
(13
(14
(15
(16
(17
(18
(19
(20
(21
(22
(23
(24
(25
Line filter (LMs20F-10P-BVN-3A)
Counter balance valve (CBV-3R-50)
Counter balance valve (for 2 speed) (CBV-3R-53)
Auto change valve (ACV-3-51)
Pressure control valve (Balance piston type)QB-G10-42-21 Right angled check valve CA-G10-1-20
Inline check valve HTIC—12—50—10
Assembly of valve block
Relief valve RD1-02G-HD-330
Thermo controller (TNS-C1070CWL2Q, TNS-C1100WL2Q)
(FS-M1)
Float switch Solenoid valve Solenoid valve Re Iief valve Butterfly valve Unloading control valve
4WE10D4X/CW100N9DL 4WE10D4X/CW100N9DL R-G10-3-20 700S-10 (50A.65A) RD4-02T-D
DSC3102213 DSC3102221
DSC3102231 DSC2102320 DSC2102230 DSC2102820 DSC3418—0 DSC3417—0 DSC3102252 DSC2102240 DSC2102250 DSA3105130 DSC3102360 DSC2102300 DSC3413—0 DSA7109980 DSC2103090 DSC2103100 DSC2102210 D3L0102260 DSC2102280
lectric equipment DRAWING.NO
ED68003280
(1) Wiring diagram ED60305850
(2) Main pump motor ED60922282
(3) Fan cooler motor ED60922290
(4) Outline of starter panel ED60910210
(5) Parts list (starter panel) ED61108450
(6) Outline of control stand ED60910220
(7) Parts list (control stand) ED61108460
(8) Out Iine of siipling ED61005760
(9) Circuit diagram for lighting & heating ED60415960
(10) Ci rcuit diagram (A) ED60415970
(11) Circuit diagram (B) ED60415980
(12) Fluorescent ceiling light SS-40784A
(13) Mercury projector ED61002800
(14) Ballast for mercury lamp [SWH4-RC1B(A)] ED61002820
(15) Out 1ine of heater ED61003510
5. RECORD OF INSPECTION
6. RECOMMENDED OIL TABIE
7. AFTER SERVICE NET
CONTENTS
1. Principal particulars and working condition--------------------------------------------P 12. Construction and main materials-------------------------------------------------------P 2
3. Safety device------------------------------------------------------------------------------P 10
4. Crane equipments---------------------------------------------------------------------------P 12
5. Spare parts and tools----------------------------------------------------------------------P 13
6 Pajn---------------------------------------------------------------------------------------p 15
7. Shop test----------------------------------------------------------------------------------P 16
8. Estimating scope and beyond estimating scope—----------------------------------------------P 16
9. Drawings and documents to be forwarded-----------------------------------------------------P 18
10. General------------------------------------------------------------------------------------P 19
11. Reservation of design change---------------------------------------------------------P 19
12. Warranty------------------------------------------------------------------------:---------P 19
More
2. Construction and main materialsThe deck crane is to be designed with the construction and main materials in accordance with the Classification Rule and JIS standards, and to be manufactured in accordance with the approved general assembly drawing.
2-1 Construction
(1) Hoisting and luffing winches
These winch are accommodated in the crane housing with the state of the luffing winch installed over the hoisting winch.
Hoisting winch drum can be driven by the hydraulic motors through one (1) stage reduction gear.
Luffing winch drum can be driven by the hydraulic motor through planetary reduction gear. The reduction gear is in the enclosed casing and lubricated by oi I bathing.
Each winch has spherical roller bearing to improve efficiency.
In addition, as the winch drum is grooved, the wire rope can be wound regularly on the drum.
The hoisting winch braking system has two (2) systems, one is hydraulic blocking system (counter balance valve) and the other is hydraulic band braking system.
The band brake is fitted to drum flange, and can be applied by the spring force and released by hydraulic pressure.
The material of the brake lining is of asbestos-free.
Hoisting winch is provided with a pinch roller.
The luffing winch braking system has two (2) systems, one is hydraulic blocking system (counter balance valve) and the other is hydraulic disc braking system.
(2) Slewing device
This crane is installed on the turn table bearing which is subject to the overturning moment and thrusting load at the same time.
The inner race of the turn table bearing is provided with the internal gears and is fixed to the hull post by bolting. Also the outer race is fixed to the crane base by bolting.
The slewing device consists of the hydraulic motor, planetary reduction gear, pinion, hydraulic disc brake and the pinion is engaged with the internal gear of the turn table bearing. The reduction gear is in the enclosed casing and lubricated by oil bathing.
The braking system has two (2) systems, one is hydraulic blocking system (counter balance valve) and the other is hydraulic disc braking system.
The hydraulic disc brake stops the slewing device when the power system is out of operation.
(3) Crane body
The body is of a box type of welded steel and the base is fixed to the turn table bearing by bolting.
(4) Jib
The jib is manufactured of welded steel and has sufficient strength and rigidity for external force.
(5) Steel wire rope
The steel wire rope for hoisting is a non-self-rotating rope and that for luffing is of JIS No. 18.
These ropes are galvanized.
■Hoisting rope (non-rotating rope)
U4 x SeS (39) (SHINKO WIRE CO., LTD.) Galvanized, Z-lay Sheathing Dead Eye Thimble-36
Luffing rope (JIS No.18)
6 x Fi (29) .class C , IWRC .Galvanized , Z-lay
(6) Operator’s cabin
The cabin is completed with heat and sound insulation on the wall.
Two operating handles are arranged in the cabin and each handle in connected to each hydraulic control valves in machine room.
Hoisting handle is easily operated by a right hand, luffing and slewing handle is done by a left hand.
Luffing and slewing handle is adopted the universal controller to operate both action of luffing and slewing.
To raise the efficiency of cargo handling, the three motion at the same time can be carried out with light load.
The noise level in the operator’s cabin is less than 85dB(A).
The hydraulic system for hoisting, luffing and slewing is composed of fixed displacement hydraulic oil pumps, fixed displacement oil motors, control valves, counter balance valves and other accessories.
Of course, the pressure relief valve is fitted in each circuit to prevent the line from over pressure.
The pressure oil delivered from each oil pump driven by an electric motor is regulated by the control valve and is supplied to each oil motor.
So, the speed of each motion can be controlled gradually by controlling the control valve.
The hydraulic system has two (2) circuits, one is for hoisting and the
other is for slewing and luffing which line is connected in series.
The return lines of each circuit are connected together.
The oil flows together in return line and flows through air cooled oil
cooler which is automatically controlled by a thermo switch and in a 10 micron-oil filter and then, oil gets back to each suction chamber of oi I pumps.
Furthermore, a head pipe with head tank connected to the return line gives a little positive pressure and supplies oil in the circuit for developing the sucking performance of oi I pumps.
2-2 Electric equipment
(1) General
The main power electric source is connected to the no-fuse-breaker (N. F. B) in the starter panel located in the machine room through cable from slipring of the collector.
The aux. electric source for lighting and heating apparatus is led to the control stand in the cab through cable from the slipring of the col lector.
The necessary devices except main switch for operating the deck crane are functionally arranged in the cab.
The switches of space heater for main motor, control stand and starter panel is fitted on the control stand.
(2) Electric source
The following voltage are to be used for the deck crane.
AC440V, 60Hz, 30......For main circuit of the electric motor
AC440V, 60Hz, 10......For main contact coil of the electric motor
for the hydraulic pump & oil cooler
AC110V, 60Hz, 10......For control circuit of the solenoid valve
DC24V....................For other control circuit
AC220V, 60Hz, 10......For lighting and heating circuit
Ship supply source.......AC440V, 60Hz, 30, 225A
AC220V, 60Hz, 10. 30A
The supply line provided from the ship is connected to the brush of the collector beneath the floor center of the machine room.
(3) Main motor for hydraulic oil pump
The electric motor for the hydraulic pump is to be started by the method (three contactor method) and the starting current is to be decreased in one-third of directly starting.
(a) Three phase induction motor for marine use
(b) Totally enclosed with outside fan squirrel cage rotor equipped with
ball bearings
(c) Insulation class F
(d) With space heater & thermal switch
(e) I EC numbers of protection IP55
(4) Motor for oil cooler
The electric motor for oil cooling fan can be automatically operated by the oil temperature while the electric motor for the hydraulic pump is operated. The electro-magnetic switch is actuated by the thermostat for detecting oil temperature which is inserted in the hydraulic piping and causes the motor to operate.
(a) Three phase induction motor for marine use
(b) Totally enclosed with outside fan squirrel cage rotor equipped with
shield balI bearings
(c) Insulation class F
(d) Direct start
(e) IEC numbers of protection IP55
(5) Starter panel
Use for starting circuit of main motor for hydraulic oil pump & motor for oil cooler and other.
Including control transformer & diode stack for control circuit, etc. Constructed by steel plate and drip-proof type (IP22).
Installed in machine room of deck crane.
(6) Control stand for single crane
Control circuit including control switch, indicating lamp and control relays is built in this control stand.
Constructed by steel plate and drip-proof type (IP22).
Installed in cabin of deck crane.
(7) Electric cable
All cables installed throughout the deck crane shall be of Japanese Industrial Standard (JIS) and of 0. 6/1kV or 250V grade insulation to meet the voltage to which they are subjected.
The conductors supplying single load, in general, shall have continuous current carrying capacity equal to 100% of the rating of the connected load.
(8) Slipring
Installed in the fixed post of ship’s deck.
MITSUBISHI Cranes
Download [15 KB]
Share
заранее огромное спасибо!
Share